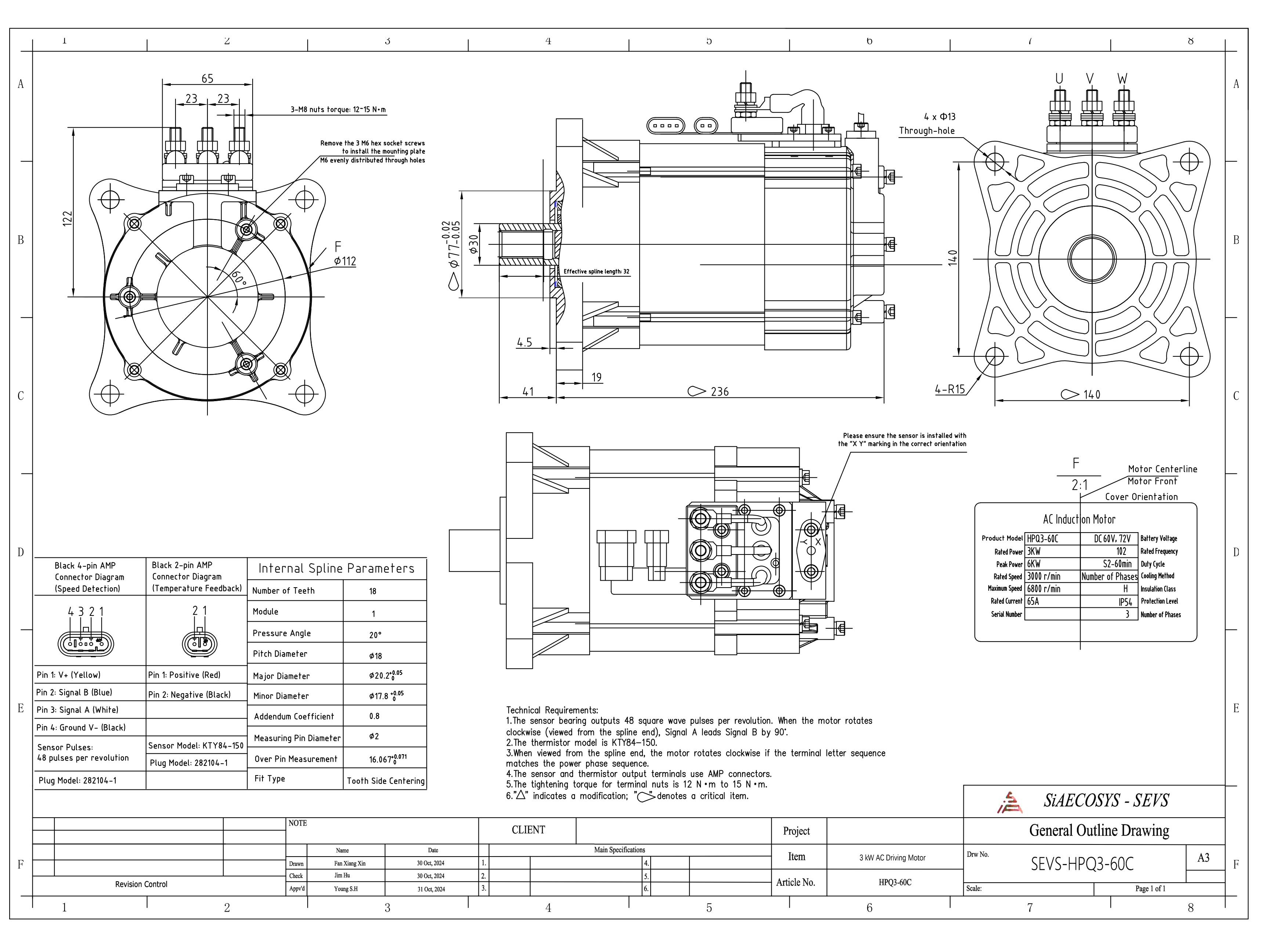
Motor Power: Rated 3kW, Peak 6kW; Rated Voltage: 48~72V
Speed Reduction Ratio: 18:1, 27:1, 41:1 (Others Customizable)
MCU Key Functions: CAN 2.0, Programmable, Brake Power Regeneration, HSA, Anti-Slope, etc.
Our 3kW electric powertrain is engineered for industrial and commercial applications such as electric forklifts, tow tractors, utility trailers, and low-speed cargo vehicles. Designed to meet the high-torque demands of heavy-duty operation, this system delivers both performance and long-term durability.
With peak power up to 6kW and flexible voltage platforms (48V/60V/72V), the system integrates an AC motor, intelligent controller, and a reinforced rear axle—built to handle continuous load and harsh environments. Customizable gear ratios (18:1, 27:1, 41:1, etc.) allow optimization for specific speed and torque needs.
Equipped with a smart MCU supporting CAN 2.0, regenerative braking, HSA, and anti-slope functionality, the powertrain provides smooth control even on inclines or under heavy load.
This rugged and fully-tested solution enables OEMs to confidently develop electric transport platforms that prioritize power, safety, and efficiency in logistics, warehousing, and industrial sectors.

Key Features
Fully engineered and Pre-tested as a complete drive solution
High-efficiency PMSM motor with up to 95% energy conversion rate
Controller with Bluetooth communication, CAN 2.0 support, and programmable logic
Regenerative braking & intelligent slope-hold feature
Customizable driving axle with low noise and high durability
Support for different vehicle chassis and wheel bolt patterns
Product Description
1. PMSM 3KW ELECTRIC MOTOR
Model No.: SEVS-NP145-48-100H
Dimension Drawing:

Multi-angle product photos:
2.MCU for 3kW PMSM MOTOR
Model No.: APT2209.A0.00E.V3.2
Dimension Drawing:
Multi-angle product photos:
3. Rear Axle System
Model No.: JH-174-01
Dimension Drawing:

Multi-angle product photos:
Various Vehicle Usage Scenarios
Click below to contact our team or request your tailored quotation today.
[Inquire Now] [Get the latest catalogue] [Get the Rear Axel Catalogue]
jinhao@siaecosys.com
Specializing in two-wheeler conversion kits & accessories
[Visit Website →] www.siaecosys.com
Complete EV conversion kits for three-wheelers and light-duty vehicles.
[Visit Website →] www.siaecosys-sevs.com
High-performance motors for e-scooters, bikes and more.
[Visit Website →] www.cnqsmotor.com
Copyright © Taizhou Jinhao Axle Co., Ltd. all rights reserved